石材及人造板幕墙
2017-07-25 08:40
5479 详细介绍
概述
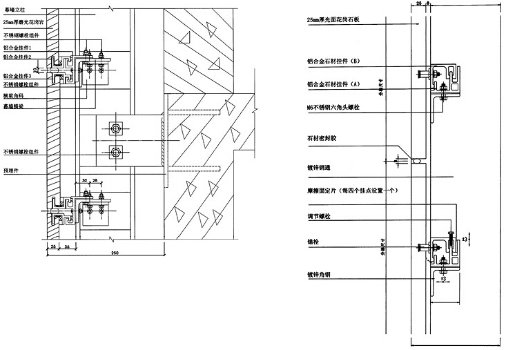
面板为各种石材板或人造板,通过连接件和龙骨安装挂接在主体结构上的幕墙形式。
按不同的面板原料分有:花岗岩幕墙、砾岩幕墙、陶土板幕墙、瓷板幕墙、玻化石幕墙等。这种幕墙原料天然绿化、颜色历久弥新、面板的色彩和质感多样丰富。
陶土板幕墙、瓷板幕墙广泛应用于博物馆、公共场馆、写字楼、住宅等建筑物的外装饰,陶土板、瓷板以其独特的魅力已成为建筑幕墙市场的主力军,在建筑装饰市场已崭露头角。
性能说明
1、安装结构形式:扣槽式、插接式、压板式、背栓挂接式和挂件接式。
2、和谐的色彩、人性化的质感融入中国传统的建筑语言,即传统又现代。
3、光面、毛面、釉面不同材质配合不同颜色、图案组合给建筑带来无限创意的装饰空间。
4、良好的耐候性、耐久性、不褪色。
5、良好的抗风压、抗冲击性能。
6、良好的隔热性。

案例示意

实力展示
公司设备先进,采用先进的数控技术,自动化速度高,钢结构生产区拥有数控多头直条气割机、数控钻床、H型钢自动焊接生产线、全自动组力生产线、门式自动焊生产线,抛丸除锈生产线以及探伤检测等国内先进设备。拥有与建筑幕墙制作安装配套的丁基胶涂布机,双组份打胶机,玻璃磨边机、中空玻璃钢化机以及韦氏硬度钳、氧化膜测厚仪、水平仪等专业幕墙生产加工设备和质量检测设备。

















